加载中
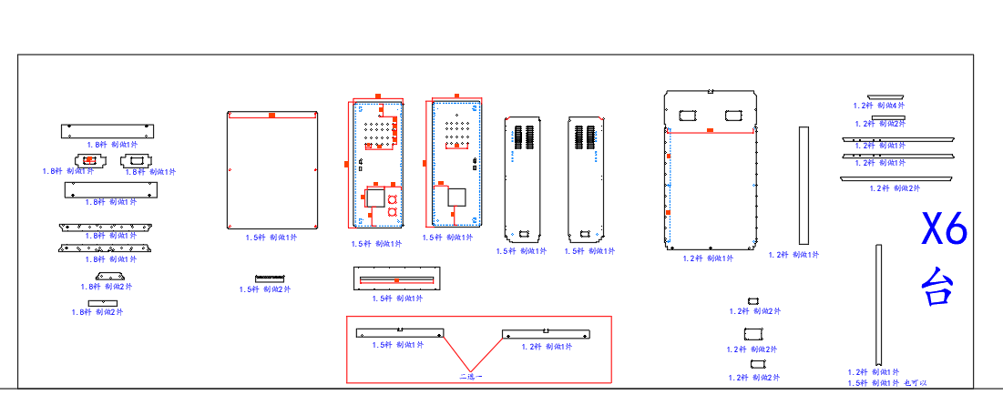
某猪场-配电箱配电柜钣金箱体展开图(ID:843192)
免责申明: 本网站模型由用户自行上传,如权利人发现存在误传其作品情形,请及时与本站联系。
免费下载
此图纸可免费下载
图纸ID:843192
文件大小:3.51M
软件版本:AUTOCAD 2007
图纸格式:dwg
参数/编辑:可修改,包括参数
上传时间:2026-01-14
图纸介绍:
发布者
可以了
作品: 13302
粉丝: 21
作者其它图纸
查看更多
SolidWorks设计的AR15步枪3D模型
SOLIDWORKS,STEP,PARASOLID,UG
2024-05-20 00:45
小米汽车su7   三维模型
STEP,3DMAX,BLENDER
2024-04-09 01:39
塑料铺设农机结构
STEP,SOLIDWORKS
2024-02-27 00:57
CNC 三轴模型
SOLIDWORKS,STL
2024-05-27 20:42
同步轮同步带直线滑台模组
SOLIDWORKS,STEP,PARASOLID
2024-01-09 01:27
1比35 虎式坦克
STEP,SOLIDWORKS
2024-03-01 16:29
提示
×

下载该图档需要消耗0金币!

确认下载
客服
TOP
2.154896s